
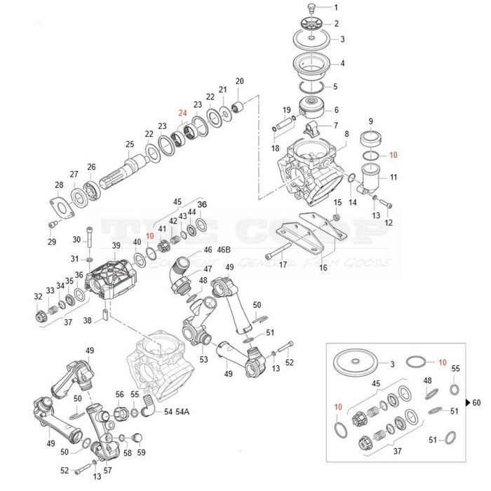
BP110/20 Diaphragm Pump Replacement Spare Parts
Silvan BP110/20 Diaphragm pump Spare parts
Just select the items you want in the drop down box for pricing and ordering.
Silvan BP110/20 Diaphragm pump Spare parts
Just select the items you want in the drop down box for pricing and ordering.
$400.00 away from free shipping! Please Sir may I have some more?
Communications good, product correct, was slow to be posted. Thank you
I recently ordered a new charger for a Silvan/Selecta backpack sprayer, and the wrong product was supplied. The electrical output doesn't suit the installed battery.
Hi Frank,
Thank you for your feedback regarding the Bat Charger Round Plug 2Pin Wp16-6 Lithium. We apologize for any inconvenience this may have caused you.
After checking your order against what was supplied, it appears that the precise item you ordered was sent. We can only supply what you order, not what you want. However, we understand your frustration and we will take note of your concerns for future reference.
We pride ourselves on our fast shipping, and we're glad that you received your order in just 3 days. We appreciate your business and hope to have the opportunity to serve you again in the future.
Thank you again for your feedback.
Best,
[Your Name]
Customer Service Team
Website was easy to find what I needed and parts turned up as planned.